Khóa điện tử Hafele ML2502B 912.21.048 Hiện Đại
Danh mục: Khóa cửa điện tử | Khóa cửa điện tử Hafele |
|
|
Khóa điện tử Hafele ML2502B 912.21.048 chính hãng – Khóa vân tay cửa gỗ cao cấp
Khóa điện tử Hafele ML2502B 912.21.048 là dòng khóa vân tay thông minh cho cửa gỗ cao cấp đến từ thương hiệu danh tiếng Hafele và được sản xuất trực tiếp tại Hàn Quốc. Với thiết kế màu đen sang trọng cùng sự tích hợp hoàn hảo giữa công nghệ bảo mật 4.0 và tính năng tiện ích, sản phẩm là giải pháp an ninh lý tưởng cho mọi không gian từ nhà ở, căn hộ chung cư đến văn phòng hiện đại.
Ưu điểm nổi bật của khóa điện tử Hafele ML2502B

Sản phẩm Hafele ML2502B không chỉ là một thiết bị khóa cửa thông thường mà còn mang lại trải nghiệm tiện nghi với các tính năng vượt trội:
-
Quản lý phân quyền thông minh: Khóa cho phép thiết lập quyền riêng biệt giữa chủ nhà (Master) và người dùng (User). Tính năng này giúp kiểm soát chặt chẽ quyền truy cập, tối ưu hóa an ninh cho ngôi nhà.
-
Điều khiển từ xa qua Ứng dụng: Hỗ trợ kết nối và vận hành khóa thông qua App trên điện thoại, giúp bạn dễ dàng quản lý lịch sử ra vào mọi lúc, mọi nơi.
-
Công nghệ Mật khẩu ảo (Fake Password): Cho phép nhập các ký tự ngẫu nhiên trước hoặc sau mật khẩu chính. Điều này giúp chống lộ mật khẩu, ngăn chặn hoàn toàn nguy cơ bị nhìn trộm hoặc sao chép thông tin.
-
Chế độ khóa linh hoạt: Tùy chỉnh dễ dàng giữa khóa tự động (Auto) và khóa thủ công (Manual) để phù hợp với thói quen sinh hoạt của gia đình.
-
Hướng dẫn bằng giọng nói: Tích hợp hệ thống hướng dẫn tiếng Anh, hỗ trợ người dùng thao tác cài đặt và sử dụng nhanh chóng ngay từ lần đầu tiên.
-
Hệ thống cảnh báo & Nguồn dự phòng: Khóa tự động cảnh báo khi pin yếu. Đặc biệt, trong trường hợp hết pin, bạn có thể kích hoạt nguồn khẩn cấp qua cổng USB-C hoặc sử dụng pin 9V, đảm bảo khóa luôn hoạt động liên tục.
>>Xem thêm: Khóa điện tử Hafele cao cấp giá tốt mới nhất 2026
Phương thức mở khóa và khả năng lưu trữ

Khóa điện tử Hafele ML2502B được trang bị đa dạng phương thức mở khóa, đáp ứng nhu cầu sử dụng cho gia đình đông thành viên hoặc văn phòng công ty với bộ nhớ lưu trữ lớn:
-
Tổng dung lượng: 101 người dùng (bao gồm 01 tài khoản chủ nhà và 99 người dùng thành viên).
-
Vân tay: Đăng ký tối đa 100 vân tay.
-
Thẻ từ: Lưu trữ tối đa 50 thẻ từ.
-
Mật khẩu: Cài đặt tối đa 10 mật khẩu.
Cửa phù hợp lắp đặt khóa Hafele ML2502B

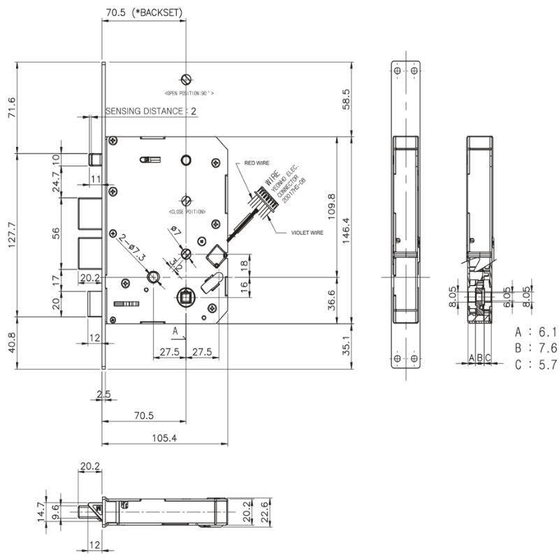
Khóa điện tử Hafele ML2502B được thiết kế chuyên dụng và tương thích tốt nhất với cửa gỗ mở xoay. Để lắp đặt sản phẩm, cửa cần đáp ứng các tiêu chuẩn kích thước sau:
-
Độ dày cửa: Từ 35 – 50 mm.
-
Đố cửa: Độ rộng tối thiểu 130 mm.
-
Khe hở cửa: Khoảng cách giữa cánh cửa và khung cửa tối thiểu 3 mm.
Thông số kỹ thuật khóa Hafele ML2502B 912.21.048
Để đảm bảo lắp đặt chính xác và độ bền sản phẩm, dưới đây là các thông số kỹ thuật chi tiết của mã khóa 912.21.048:
| Thông số | Chi tiết |
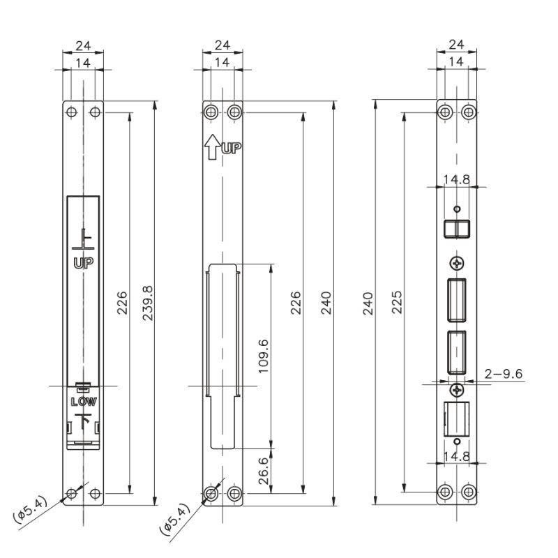
| Kích thước mặt ngoài | 78 x 283 x 30 mm (Rộng x Cao x Dày) |
| Kích thước mặt trong | 78 x 267 x 35 mm (Rộng x Cao x Dày) |
| Vật liệu | Hợp kim nhôm siêu bền kết hợp nhựa ABS |
| Màu hoàn thiện | Đen (Matte Black) |
| Nguồn điện vận hành | 4 viên pin AA 1.5V |
| Nguồn khẩn cấp | Pin vuông 9V |
| Nhiệt độ vận hành | Từ -20°C đến +75°C |
| Xuất xứ | Hàn Quốc |
Vì sao nên chọn khóa điện tử Hafele ML2502B?
Nếu bạn đang tìm kiếm một mẫu khóa vân tay cửa gỗ chính hãng, vận hành ổn định và sở hữu ngoại quan tinh tế, thì Khóa điện tử Hafele ML2502B 912.21.048 là lựa chọn không thể bỏ qua. Sản phẩm không chỉ nâng tầm thẩm mỹ mà còn cam kết sự an toàn tuyệt đối và tiện nghi lâu dài cho không gian sống của bạn. Hãy đến ngay Thế Giới Bếp Nhập Khẩu để sở hữu khóa điện tử hiện đại nhất với giá tốt nhất hôm nay!
Đánh giá Khóa điện tử Hafele ML2502B 912.21.048 Hiện Đại
|
Đánh giá trung bình (Dựa trên 0 đánh giá)
|
Chia sẻ ý kiến về sản phẩm này
|
-
Khóa Vân Tay Hafele MP2503B 912.21.046 Cao Cấp
Đặc tính khoá vân tay Hafele MP2503B - 912.21.046 - Chất liệu: Hợp kim nhôm + nhựa ABS - Màu sắc: Màu đen - Phương thức mở khóa : Vân tay, Mật mã, Thẻ từ, Chìa cơ, Kết nối App, Chìa cơ - Khả năng lưu trữ: • 100 người dùng (1 Chủ nhà & 99 Người dùng) • Vân tay: 100 vân tay • Thẻ từ: 50 thẻ từ • Mật khẩu: 10 mật khẩu - Thông số cửa thích hợp • Độ dày cửa: 35 - 50mm • Đố cửa: 130 mm11.633.000đ15.228.000đ
| HN 01: | 0943 96 96 95 | |
| HN 02: | 0944 52 52 82 | |
| HN 03: | 05854 66666 | |
| HảiPhòng: | 0948 622 922 | |
| QuảngNinh: | 0943.963.966 | |
| TP Vinh: | 0936.080.365 | |
| NhaTrang: | 0904.212.545 | |
| Đaklak: | 0984.124.419 | |
| TPHCM 01: | 0946.480.580 | |
| TPHCM 02: | 090.6396.012 | |
| TPHCM 03: | 0928.97.97.97 |
-
BẾP TỪ
Bếp từ BOSCH Bếp từ Hafele Bếp từ Đôi Bếp từ 3 vùng nấu Bếp từ 4 vùng nấu Bếp từ Đức Bếp từ Âm Bếp từ Spelier Bếp từ Eurosun -
MÁY RỬA BÁT
Máy rửa bát Âm Tủ Máy rửa bát Mini để bàn Máy rửa bát Độc Lập Máy rửa bát MALLOCA Máy rửa chén bát HAFELE Máy rửa bát Bosch -
TỦ LẠNH
Tủ lạnh Side by Side Tủ lạnh Bosch Tủ lạnh HAFELE Tủ lạnh Toshiba Tủ lạnh LG Tủ lạnh Electrolux Tủ lạnh MALLOCA -
PHỤ KIỆN TỦ BẾP
Tay nâng Blum Giá bát cố định Giá bát nâng hạ Giá đựng bát đũa Đèn Led Tủ Bếp Kệ gia vị Thùng rác âm tủ Tủ đồ khô Mâm xoay tủ bếp


















Khuyến mại mới nhất lên tới 50%
Phương thức thanh toán

Noel rực lửa ưu đãi – giảm tới 50% tại Thế giới bếp nhập khẩu


